Ersatzteile Motor Moskwitsch Moskwitch Moskwich Mosi AZLK 408 / 412 / 2140 / 2137, ISCH Izh 2715 / 427 / 434. Spare parts Engine Moskvich Moskvitch ASLK 408 / 412 / 2140 / 2137,  Izh 2715 / 427 / 434. Запасные части Двигатель (Мотор) УЗАМ-412 (М-412) Москвич АЗЛК 408 / 412 / 2140 / 2137, ИЖ 2715 / 427 / 434.

Austausch Motoren Moskwitsch Moskwitch Moskwich Mosi 408 / 412 / 2140 / 2137, ISCH Izh 2715 / 427 / 434.

Reconditioned engines, exchange engines Moskvich Moskvitch 408 / 412 / 2140 / 2137,  Izh 2715 / 427 / 434.

 

3317*0068577*9500 Neuer Motor UZAM 3317 Moskwitsch, Moskwich, Moskwitch 2141 ALEKO LADA. New engine USAM 3317 Moskvich. Новый двигатель УЗАМ 3317 в сборе Москвич АЗЛК АЛЕКО.
3317*0068577*9500 Neuer Motor UZAM 3317 Moskwitsch, Moskwich, Moskwitch 2141 ALEKO LADA. New engine USAM 3317 Moskvich. Новый двигатель УЗАМ 3317 в сборе Москвич АЗЛК АЛЕКО.

3317*0068577*9500 Neuer Motor UZAM 3317 Moskwitsch, Moskwich, Moskwitch 2141 ALEKO LADA. New engine USAM 3317 Moskvich. Новый двигатель УЗАМ 3317 в сборе Москвич АЗЛК АЛЕКО.

3317*0068577*9500 

Neuer Motor UZAM 3317 Moskwitsch, Moskwich, Moskwitch 2141 ALEKO LADA.

New engine USAM 3317 Moskvich.

Новый двигатель УЗАМ 3317 в сборе Москвич АЗЛК АЛЕКО.

 

Motor UZAM-412 Moskwitsch M412, M2140. Engine Moskvich 412/2140. Двигатель (мотор) УЗАМ-412 (М-412) Москвич 412/2140.

Der UZAM-412 Moskwitsch M412, M2140 Motor wurde in kürzen generalüberholt: Zylinder+ Kolben neu, alle Dichtungen und original Kupplung neu, alle Sensoren neu, Zylinderkopf, Ventile neu eingeschliffen, alle Flächen geschliffen. Getriebe generalüberholt. Beim Probefahrt hat sich das Auto überschlagen. Der UZAM-412 Moskwitsch M412, M2140 Motor wird komplett mit Einbauteilen und Kupplung verkauft. Der Motor ist neuwertig, einfach anbauen und genießen! Die Getriebe kann man auch zusammen mit dem Motor gekauft werden. Motor ist noch beim Fahrzeug angebaut. Probelauf ist jederzeit möglich. Fahrzeugpapiere mit H-Zulassung sind auch vorhanden. 

1.000,00 €
In den Warenkorb
  • leider ausverkauft

Motoraufhängung und Getriebeaufhängung Moskwitsch Moskwitch Moskwich Mosi 408 / 412 / 2140 / 2137, ISCH Izh 2715 / 427 / 434.

Engine mounting und gear monting Moskvich Moskvitch 408 / 412 / 2140 / 2137,  Izh 2715 / 427 / 434.

Подвеска двигателя и подвеска коробки передач (Детали крепления силового агрегата) Москвич 408 / 412 / 2140 / 2137, ИЖ 2715 / 427 / 434.

Motoraufhängung und Getriebeaufhängung Moskwitsch Moskwitch Moskwich Mosi 408 / 412 / 2140 / 2137, ISCH Izh 2715 / 427 / 434. одвеска двигателя и подвеска коробки передач (Детали крепления силового агрегата) Москвич 408 / 412 / 2140 / 2137, ИЖ 2715.
Motoraufhängung und Getriebeaufhängung Moskwitsch Moskwitch Moskwich Mosi 408 / 412 / 2140 / 2137, ISCH Izh 2715 / 427 / 434. Engine mounting und gear monting Moskvich Moskvitch 408 / 412 / 2140 / 2137, Izh 2715 / 427 / 434.
412-1001020 Motorlager Moskwitsch 408 / 412 / 2140. Rubber Engine Gearbox mounting Moskvich 408 / 412 / 2140. Подушка передней и задней опоры двигателя Москвич 408 / 412 / 2140.

412-1001020 Pos. 6 / 412-1001200-Б (412-1001200-B, 412-1001200-6) Pos. 16 / 408Ю-1001050-Б Pos. 21

Motorlager Motorhalter Geriebelager Lagerung Motor Moskwitsch Moskwitch Moskwich Mosi 408 / 412 / 2140 / 2137, ISCH Izh 2715 / 427 / 434.

Rubber Engine Gearbox mounting Moskvich Moskvitch 408 / 412 / 2140 / 2137,  Izh 2715 / 427 / 434.

Подушка передней и задней опоры  двигателя УЗАМ-412 (М-412) Москвич 408 / 412 / 2140 / 2137, ИЖ 2715 / 427 / 434. 

3 Stck. Vorne Links und rechts + hinten. Neu. 

3 Pcs. Left und reight + Rear. New. 

3 шт. левая и правая + задняя. Новые.

Motorlager Moskwitsch 408 / 412 / 2140. Rubber Engine Gearbox mounting Moskvich 408 / 412 / 2140. Подушка передней и задней опоры двигателя Москвич 408 / 412 / 2140.
28,00 €
In den Warenkorb
  • verfügbar
  • 1 - 3 Tage Lieferzeit1
402-1001052 Gummibuchse Motorhalter hinten Moskwitsch M408, 412, 2140. Rear cross member rubber bushing Moskvich M408, 412,2140. Прокладка поперечины задней опоры двигателя Москвич М408, М412, М2140.

402-1001052 (402Ю-1001052) Pos. 29

Gummibuchse Motorhalter Traverse hinten Moskwitsch M408, M412, M2140.

Rear cross member rubber bushing Moskvich M408, M412, M2140.

Прокладка поперечины задней опоры двигателя Москвич М408, М412, М2140.

Satz. Neu. Set. Neu. Комплект. Новые.

Gummibuchse Motorhalter Traverse hinten Moskwitsch M408, M412, M2140. Rear cross member rubber bushing Moskvich M408, M412, M2140. Прокладка поперечины задней опоры двигателя Москвич М408, М412, М2140.
20,00 €
In den Warenkorb
  • verfügbar
  • 1 - 3 Tage Lieferzeit1

Motorblock, Laufbuchsen Zylinder (Zylinderlaufbuchsen) Moskvich Moskvitch 408 / 412 / 2140 / 2137,  Izh 2715 / 427 / 434.

Cylinder block, Piston liners Moskvich Moskvitch 408 / 412 / 2140 / 2137,  Izh 2715 / 427 / 434.

Блок и гильзы цилиндров двигателя Москвич 408 / 412 / 2140 / 2137, ИЖ 2715 / 427 / 434. 

Motorblock, Laufbuchsen Zylinder (Zylinderlaufbuchsen) Moskvich Moskvitch 408 / 412 / 2140 / 2137,  Izh 2715 / 427 / 434. Блок и гильзы цилиндров двигателя Москвич 408 / 412 / 2140 / 2137, ИЖ 2715 / 427 / 434.
Motorblock, Laufbuchsen Zylinder (Zylinderlaufbuchsen) Moskvich Moskvitch 408 / 412 / 2140 / 2137, Izh 2715 / 427 / 434. Cylinder block, Piston liners Moskvich Moskvitch 408 / 412 / 2140 / 2137, Izh 2715 / 427 / 434.
Motordichtungen Satz Moskwitsch M412, M2140. Engine gaskets Moskvich 412, 2140. Набор прокладок двигателя для автомобиля Москвич 412, 2140.

Motordichtungen Satz Moskwitsch Moskwitch Moskwich Mosi 408 / 412 / 2140 / 2137, ISCH Izh 2715 / 427 / 434.

Engine gaskets Moskvich Moskvitch 408 / 412 / 2140 / 2137,  Izh 2715 / 427 / 434.

Набор прокладок Двигатель (Мотор) УЗАМ-412 (М-412) Москвич 408 / 412 / 2140 / 2137, ИЖ 2715 / 427 / 434.  

Neu. New. Новый. 

Motordichtungen Satz Moskwitsch M408, M2140 (2138). Engine gaskets Moskvich 408, 2140 (2138). Набор прокладок двигателя для автомобиля Москвич 408, 2140 (2138).
40,00 €
In den Warenkorb
  • verfügbar
  • 1 - 3 Tage Lieferzeit1
Motordichtungen Satz Moskwitsch M408, M2140 (2138) Engine gaskets Moskvich 408, 2140 (2138) Набор прокладок двигателя для автомобиля Москвич 408, 2140 (2138).

Motordichtungen Satz Moskwitsch M408, M2140 (2138) 

Engine gaskets Moskvich 408, 2140 (2138)

Набор прокладок двигателя для автомобиля Москвич 408, 2140 (2138).

Neu für 1,36 L. Motor. New for 1,36 L Engine Новый. Для двигатетеля 408 Москвича.

Motordichtungen Satz Moskwitsch M408, M2140 (2138). Engine gaskets Moskvich 408, 2140 (2138). Набор прокладок двигателя для автомобиля Москвич 408, 2140 (2138).
25,00 €
In den Warenkorb
  • verfügbar
  • 1 - 3 Tage Lieferzeit1
Kolbensatz komplett mit Laufbuchsen Moskwitsch 412/2140. Piston set with liners Moskvich 412/2140. Поршневая гильзы поршня Москвич 412/2140.

Kolbensatz komplett mit Laufbuchsen Motor 1,5 Moskwitsch 412/2140.

Piston set with liners assembly engine 1,5 Moskvich 412/2140.

Поршневая гильзы поршня (Гильзо-Поршневая) Мотор 1,5 Москвич 412/2140.

UdSSr. Neu. USSR new. CCCP СССР новые. 82.00

 

Beinhaltet: Includes: В комплект входят: 

412-1004015 Kolben. Piston. Поршень.

412-1004020 Kolbenbolzen. Gudgeon pin. Палец поршневой.

412-1004025 Kolben-Kompressionsring in Standardgröße (zweiter Ring).  Piston Compression Ring (second ring) – Standard Size. Кольцо поршневое компрессионное нормального размера. 

412-1004030 Kompressionsring (oberer Ring) in StandardgrößePiston Compression Ring (top ring) – Standard Size. Кольцо поршневое компрессионное верхнее, нормального размера.

412-1004035 Kolben-Ölabstreifring in Standardgröße.  Oil Control Piston Ring (lower piston ring). Кольцо поршневое маслосъемное нормального размера.

412-1002020-А1 (412-1002020-A1) Zylinderlaufbuchse , Kolben Zylinder Laufbuchse. Cylinder Piston liner. Гильза цилиндра.

Kolbensatz Moskwitsch 412/2140. Piston set Volga with liners Moskvich 412/2140. Поршневая гильзы поршня Москвич 412/2140.
250,00 €
In den Warenkorb
  • verfügbar
  • 1 - 3 Tage Lieferzeit1
412-1002024 Dichtung, Zylinderlaufbuchse Zylinderfußdichtung Moskwitsch 412/2140. Cylinder liner gasket Moskvich 412/2140. Прокладка гильзы цилиндра Москвич 412/2140.

412-1002024 Pos. 33

Dichtung, Zylinderlaufbuchse Zylinderfußdichtung Moskwitsch 412/2140.

Cylinder liner gasket Moskvich 412/2140.

Прокладка гильзы цилиндра Москвич 412/2140.

Satz 4 Stck. Neu. Set 4 Pcs. New. Комплект 4 шт. Новые.

Dichtung, Zylinderlaufbuchse Zylinderfußdichtung Moskwitsch 412/2140. Cylinder liner gasket Moskvich 412/2140. Прокладка гильзы цилиндра Москвич 412/2140.
10,00 €
In den Warenkorb
  • verfügbar
  • 1 - 3 Tage Lieferzeit1
412-1002020-А Zylinderlaufbuchse Laufbuchse Buchse Zylinder Moskwitsch 412/2140. Cylinder liner Moskvich M412/M2140. Гильза цилиндра двигателя (мотора) Москвич М412/М2140.

412-1002020-А (412-1002020-A)

Zylinderlaufbuchse Laufbuchse Buchse Zylinder Moskwitsch 412/2140.

Cylinder liner Moskvich M412/M2140.

Гильза цилиндра двигателя (мотора) Москвич М412/М2140.

Neu. Ist auch im Kolbensatz komplett mit Laufbuchsen für Moskwitsch 412/2140 erhältlich.

New. Is also available in Piston set with liners for classic car Moskvich M412/M2140.

Новый. Так же доступен в комплекте Поршневая гильзы поршня Москвич М412/М2140.

Zylinderlaufbuchse Laufbuchse Buchse Zylinder Moskwitsch 412/2140. Cylinder liner Moskvich M412/M2140. Гильза цилиндра двигателя (мотора) Москвич М412/М2140.
120,00 €
In den Warenkorb
  • verfügbar
  • 1 - 3 Tage Lieferzeit1

Zylinderkopf Motor UZAM-412 Moskvich Moskvitch 408 / 412 / 2140 / 2137,  Izh 2715 / 427 / 434.

Engine USAM-412 cylinder head Moskvich Moskvitch 408 / 412 / 2140 / 2137,  Izh 2715 / 427 / 434.

Головка блока цилиндров двигателя (мотора) УЗАМ-412 Москвич 412 Москвич 408 / 412 / 2140 / 2137, ИЖ 2715 / 427 / 434. 

Zylinderkopf Motor UZAM-412 Moskvich Moskvitch 408 / 412 / 2140 / 2137, Izh 2715 / 427 / 434. Engine USAM-412 cylinder head Moskvich Moskvitch 408 / 412 / 2140 / 2137,  Izh 2715 / 427 / 434. Головка блока цилиндров двигателя (мотора) УЗАМ-412 Москвич.
Zylinderkopf Motor UZAM-412 Moskvich Moskvitch 408 / 412 / 2140 / 2137, Izh 2715 / 427 / 434. Engine USAM-412 cylinder head Moskvich Moskvitch 408 / 412 / 2140 / 2137, Izh 2715 / 427 / 434. Головка блока цилиндров двигателя (мотора) УЗАМ-412 Москвич.
412-1003020-01 Cylinderkopfdichtung Motor Moskwitsch 412/2140. Engine Cylinder head gasket Moskvich 412/2140. Прокладка головки блока цилиндров двигателя автомобиля Москвич 412/2140.

412-1003020-01 Pos. 2

Cylinderkopfdichtung (Cylinder Kopf Dichtung) Motor Moskwitsch 412/2140.

Engine Cylinder head gasket Moskvich 412/2140.

Прокладка головки блока цилиндров двигателя автомобиля Москвич 412/2140.

Neu. Auch im Motordichtungen Satz erhältlich.

New. Also available in engine gasket kit.

Новая, Так же доступна в наборе прокладок двигателя.

Cylinderkopfdichtung (Cylinder Kopf Dichtung) MotorMoskwitsch 412/2140. Engine Cylinder head gasket Moskvich 412/2140. Прокладка головки блока цилиндров двигателя автомобиля Москвич 412/2140.
18,00 €
In den Warenkorb
  • verfügbar
  • 1 - 3 Tage Lieferzeit1
412-1003270 Ventildeckeldichtung Motor Moskwitsch M412, M2140. Engine Rocker cover gasket Moskvich 412, 2140. Прокладка крышки клапанной головки блока Москвич 412, 2140.

412-1003270 Pos. 10

Ventildeckeldichtung Motor Moskwitsch M412, M2140.

Engine Rocker cover gasket Moskvich 412, 2140.

Прокладка крышки клапанной (клапанного механизма) головки блока двигателя для автомобиля Москвич 412, 2140.

Neu. Auch im Motordichtungen Satz erhältlich.

New. Also available in engine gasket kit.

Новый. Так же доступен в наборе прокладок двигателя.

Ventildeckeldichtung Motor Moskwitsch M412, M2140. Engine Rocker cover gasket Moskvich 412, 2140. Прокладка крышки клапанной (клапанного механизма) головки блока двигателя для автомобиля Москвич 412, 2140.
9,00 €
In den Warenkorb
  • verfügbar
  • 1 - 3 Tage Lieferzeit1

 Kurbeltrieb Motor UZAM-412 Moskwitsch Moskwitch Moskwich Mosi 412 / 2140 / 2137, ISCH Izh 2715 / 427 / 434.

Crankshaft drive Engine USAM-412 Moskvich Moskvitch 412 / 2140 / 2137,  Izh 2715 / 427 / 434.

Поршни и шатуны, Коленчатый вал и маховик, Распределительный вал (Газораспределительный механизм ГРМ) Двигателя (Мотора) УЗАМ-412 (М-412) Москвич 412 / 2140 / 2137, ИЖ 2715 / 427 / 434. 

Motorsteuerung USAM-412 cylinder head Moskvich Moskvitch 408 / 412 / 2140 / 2137,  Izh 2715 / 427 / 434. Газораспределительный механизм (Часть 1) Двигателя (Мотора) УЗАМ-412 (М-412) Москвич 412 / 2140 / 2137, ИЖ 2715 / 427 / 434.
Motorsteuerung Engine USAM-412 timing system Engine Moskvich Moskvitch 412 / 2140 / 2137, Izh 2715 / 427 / 434. Газораспределительный механизм (Часть 1) Двигателя (Мотора) УЗАМ-412 (М-412) Москвич 412 / 2140 / 2137, ИЖ 2715 / 427 / 434.
412-1005030 Kettenrad Kurbelwelle Moskwitsch IZH 412/2140. Crankshaft sprocket Moskvich M412/M2140. Звездочка коленчатого вала, распределительная двигателя Москвич ИЖ 412 / 2140.

412-1005030 Pos. 1

Kettenrad Kurbelwelle Moskwitsch IZH 412/2140.

Crankshaft sprocket Moskvich M412/M2140.

Звездочка коленчатого вала, распределительная двигателя Москвич ИЖ 412 / 2140.

Neu. New. Новая.

Kettenrad Kurbelwelle Moskwitsch IZH 412/2140. Crankshaft sprocket Moskvich M412/M2140. Звездочка коленчатого вала, распределительная двигателя Москвич ИЖ 412 / 2140.
20,00 €
In den Warenkorb
  • verfügbar
  • 1 - 3 Tage Lieferzeit1
412-1006046/47/52/53 Kettenrad Umlenkwelle komplett Moskwitsch IZH 412/2140. Idler shaft sprocket Moskvich ISH M412/M2140. Звезда ГРМ Москвич ИЖ 412/2140 натяжитель.

412-1006046/47/52/53 Pos. 2-7

Kettenrad Umlenkwelle komplett Moskwitsch IZH 412/2140.

Idler shaft sprocket Moskvich ISH M412/M2140.

Звезда ГРМ Москвич ИЖ 412/2140 натяжитель.

Neu. New.  Новая.

Kettenrad Umlenkwelle komplett Moskwitsch IZH 412/2140. Idler shaft sprocket Moskvich ISH M412/M2140. Звезда ГРМ Москвич ИЖ 412/2140 натяжитель.
31,00 €
In den Warenkorb
  • verfügbar
  • 1 - 3 Tage Lieferzeit1
412-1006070 Feder des Steuerkettenspanners Moskwitsch IZH 412/2140. Timing chain tensioner spring Moskvich M412/M2140. Пружина натяжного устройства цепи ГРМ двигателя Москвич ИЖ 412 / 2140.

412-1006070 Pos. 17

Feder des Steuerkettenspanners Moskwitsch IZH 412/2140.

Timing chain tensioner spring Moskvich M412/M2140.

Пружина натяжного устройства цепи ГРМ двигателя Москвич ИЖ 412 / 2140.

Neu. New. Новая.

Feder des Steuerkettenspanners Moskwitsch IZH 412/2140. Timing chain tensioner spring Moskvich M412/M2140. Пружина натяжного устройства цепи ГРМ двигателя Москвич ИЖ 412 / 2140.
15,00 €
In den Warenkorb
  • verfügbar
  • 1 - 3 Tage Lieferzeit1
412-1006040 Steuerkette Motor Moskwitsch IZH 412/2140. Timing chain engine Moskvich ISH M412/2140. Цепь привода распределительного вала в сбореавтомобиля Москвич ИЖ М412/2140.

412-1006040 Pos. 17

Steuerkette Motor Moskwitsch IZH 412/2140.

Timing chain engine Moskvich ISH M412/2140.

Цепь привода распределительного вала в сборе советского автомобиля Москвич ИЖ М412/2140. 

Neu. New. Новая.

Steuerkette Motor Moskwitsch IZH 412/2140. Timing chain engine Moskvich ISH M412/2140. Цепь привода распределительного вала в сборе советского автомобиля Москвич ИЖ М412/2140.
40,00 €
21,50 €
In den Warenkorb
  • verfügbar
  • 1 - 3 Tage Lieferzeit1
412-1006078 Gleitschiene Steuerkette Moskwitsch. M412, M2140. Sliding rail Moskvich 412, 2140. Успокоитель цепи Москвич 412, 2140.

412-1006078 Pos. 20

Gleitschiene Steuerkette Moskwitsch. M412, M2140.

Sliding rail Moskvich 412, 2140.

Успокоитель цепи Москвич 412, 2140.

Neu. New. Новый.

Gleitschiene Steuerkette Moskwitsch. M412, M2140. Sliding rail Moskvich 412, 2140. Успокоитель цепи Москвич 412, 2140.
5,00 €
In den Warenkorb
  • verfügbar
  • 1 - 3 Tage Lieferzeit1
Nockenwelle, Kipphebelwellen und Ventile Motor UZAM-412 Moskwitsch 412/2140. Camshaft, Rocker shafts and valves engine USAM-412 Moskvich 412/2140. Распределительный вал, коромысла и клапаны двигателя УЗАМ-412 Москвич 412/2140.
Nockenwelle, Kipphebelwellen und Ventile Motor UZAM-412 Moskwitsch 412/2140. Camshaft, Rocker shafts and valves engine USAM-412 Moskvich 412/2140. Распределительный вал, коромысла и клапаны двигателя УЗАМ-412 Москвич 412/2140.

 Krümmer Abgaskrümmer (Einlass- und Auspuffkrümmer) Motor UZAM-412 Moskwitsch Moskwitch Moskwich Mosi 412 / 2140 / 2137, ISCH Izh 2715 / 427 / 434.

Inlet and exhaust manifold Engine USAM-412 Moskvich Moskvitch 412 / 2140 / 2137,  Izh 2715 / 427 / 434.

Впускной и выпускной трубопроводы Двигателя (Мотора) УЗАМ-412 (М-412) советского автомобоíля Москвич 412 / 2140 / 2137, ИЖ 2715 / 427 / 434. 

Krümmer Abgaskrümmer (Einlass- und Auspuffkrümmer) Motor UZAM-412 Moskwitsch Moskwitch Moskwich Mosi 412 / 2140 / 2137, ISCH Izh 2715 / 427 / 434. Впускной и выпускной трубопроводы Москвич Двигателя (Мотора) УЗАМ-412 (М-412) Москвич 412 / 2140 / 2137, ИЖ
Krümmer Abgaskrümmer (Einlass- und Auspuffkrümmer) Motor UZAM-412 Moskwitsch Moskwitch Moskwich Mosi 412 / 2140 / 2137, ISCH Izh 2715 / 427 / 434. Inlet and exhaust manifold Engine USAM-412 Moskvich Moskvitch 412 / 2140 / 2137, Izh 2715 / 427 / 434.
363081-П29 (363081-P29) Шпилька крепления выпускной трубы (газопровода) к головке блока цилиндров

363081-П29 (363081-P29) Pos. 3

Stehbolzen Krümmer lang Moskwitsch Moskwitch Moskwich Mosi 412 / 2140.

Manifold fastening stud long Moskvich Moskvitch 412 / 2140.

Шпилька крепления выпускной трубы (газопровода) к головке блока цилиндров Москвич 412 / 2140. 

Neu. New. Новая.

Stehbolzen Krümmer lang Moskwitsch Moskwitch Moskwich Mosi 412 / 2140. Manifold fastening stud long Moskvich Moskvitch 412 / 2140. Шпилька крепления выпускной трубы (газопровода) к головке блока цилиндров Москвич 412 / 2140.
5,00 €
In den Warenkorb
  • verfügbar
  • 1 - 3 Tage Lieferzeit1
412-1008036 Abgaskrümmer, Auspuffkrümmer Dichtung Moskwitch 412 / 2140. Exhaust manifold gasket Moskvich 412 / 2140. Прокладка между выпускной трубой и головкой блока цилиндров Москвич 412 / 2140.

412-1008036 Pos. 5

Krümmer Auspuff (Abgaskrümmer, Auspuffkrümmer) Dichtung (Krümmerdichtung) Moskwitch 412 / 2140.

Exhaust manifold gasket Moskvich 412 / 2140.

Прокладка между выпускной трубой и головкой блока цилиндров Москвич 412 / 2140.

Neu. Preis pro Stck. Benötigt 4 Stck. Auch im Motordichtungen Satz erhältlich.

New. Price per piece. Required 4 Pcs. Also available in engine gasket kit.

Новый. Цена за штуку. Используется 4 шт. Так же доступен в наборе прокладок двигателя.

Abgaskrümmer, Auspuffkrümmer Dichtung Moskwitch 412 / 2140. Exhaust manifold gasket Moskvich 412 / 2140. Прокладка между выпускной трубой и головкой блока цилиндров Москвич 412 / 2140.
2,00 €
In den Warenkorb
  • verfügbar
  • 1 - 3 Tage Lieferzeit1
412-1008089 Äußere Krümmerdichtung Einlaßkrümmer Dichtung Moskwitch 412 / 2140. Outer inlet manifold gasket Moskvich 412 / 2140. Прокладка впускной трубы крайняя Москвич 412 / 2140.

412-1008089 Pos. 6

Äußere Krümmerdichtung Einlaßkrümmer Dichtung Moskwitch 412 / 2140.

Outer inlet manifold gasket Moskvich 412 / 2140.

Прокладка впускной трубы крайняя Москвич 412 / 2140.

Neu. Preis pro Stck. Benötigt 2 Stck. Auch im Motordichtungen Satz erhältlich.

New. Price per piece. Required 2 Pcs. Also available in engine gasket kit.

Новый. Цена за штуку. Используется 2 шт. Так же доступен в наборе прокладок двигателя.

Äußere Krümmerdichtung Einlaßkrümmer Dichtung Moskwitch 412 / 2140. Outer inlet manifold gasket Moskvich 412 / 2140. Прокладка впускной трубы крайняя Москвич 412 / 2140.
2,00 €
In den Warenkorb
  • verfügbar
  • 1 - 3 Tage Lieferzeit1
412-1008088 Mittlere Krümmerdichtung Einlaßkrümmer Dichtung Moskwitch 412 / 2140. Middle manifold gasket intake manifold Moskvich 412 / 2140. Прокладка впускной трубы средняя Москвич 412 / 2140.

412-1008088 Pos. 7

Mittlere Krümmerdichtung Einlaßkrümmer Dichtung Moskwitch 412 / 2140.

Middle manifold gasket intake manifold Moskvich 412 / 2140.

Прокладка впускной трубы средняя Москвич 412 / 2140.

Neu. Auch im Motordichtungen Satz erhältlich.

New. Also available in engine gasket kit.

Новый. Так же доступен в наборе прокладок двигателя.

Äußere Krümmerdichtung Einlaßkrümmer Dichtung Moskwitch 412 / 2140. Outer inlet manifold gasket Moskvich 412 / 2140. Прокладка впускной трубы крайняя Москвич 412 / 2140.
4,00 €
In den Warenkorb
  • verfügbar
  • 1 - 3 Tage Lieferzeit1

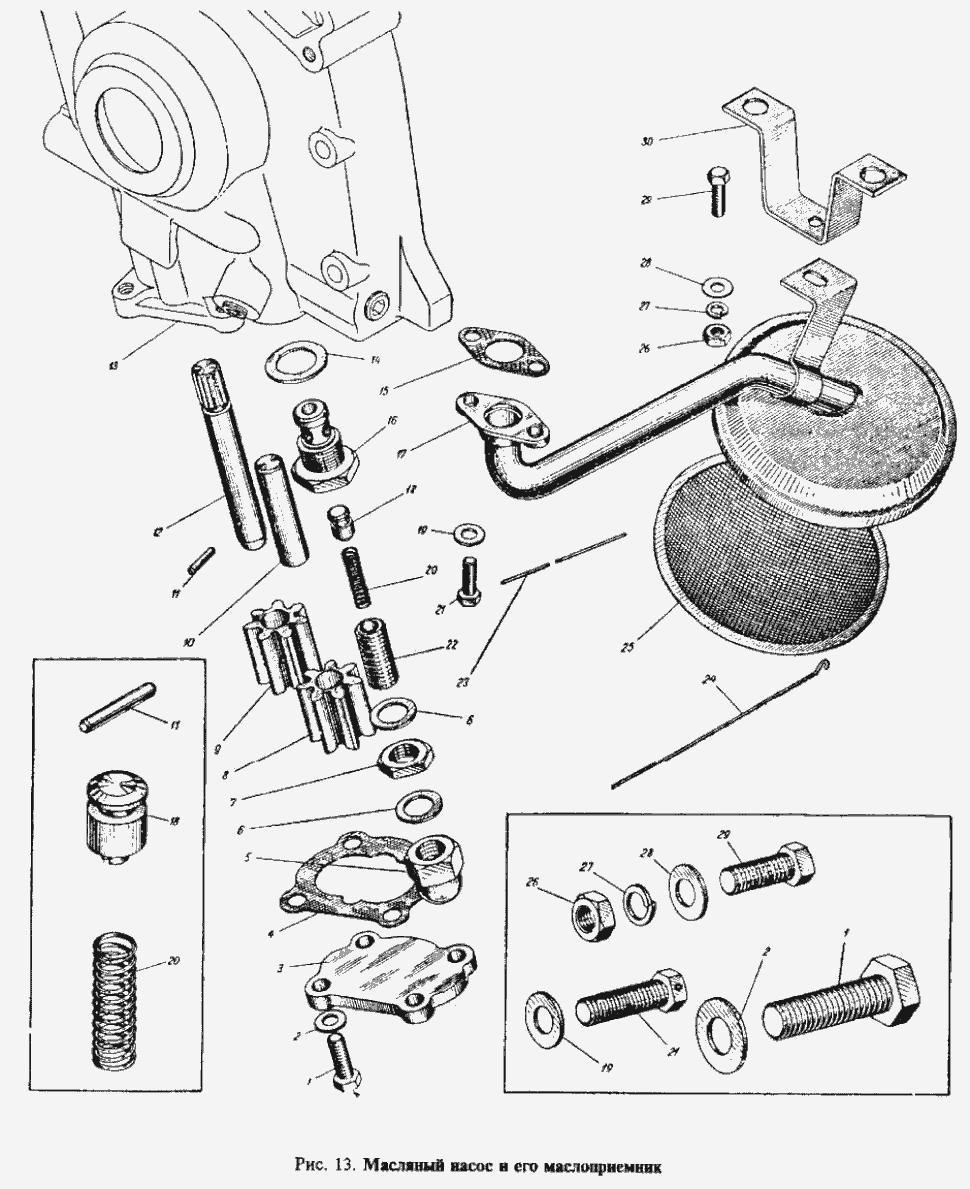
Ölpumpe Moskwitsch Moskwitch Moskwich Mosi 412 / 2140 / 2137,

ISCH Izh 2715 / 427 / 434.

  Oil pump Moskvich Moskvitch 412 / 2140 / 2137,  Izh 2715 / 427 / 434.

Масляный насос и его маслоприемник Двигателя (Мотора) Москвич УЗАМ-412 (М-412) Москвич 412 / 2140 / 2137, ИЖ 2715 / 427 / 434. 

Ölpumpe Moskwitsch Moskwitch Moskwich Mosi 412 / 2140 / 2137,  ISCH Izh 2715 / 427 / 434.  Масляный насос и его маслоприемник Двигателя (Мотора) Москвич УЗАМ-412 (М-412) Москвич 412 / 2140 / 2137, ИЖ 2715 / 427 / 434.
Ölpumpe Moskwitsch Moskwitch Moskwich Mosi 412 / 2140 / 2137, ISCH Izh 2715 / 427 / 434. Oil pump Moskvich Moskvitch 412 / 2140 / 2137, Izh 2715 / 427 / 434.
Reparatursatz Zahnradsatz Ölpumpe Moskwitsch 408/412/2140, IZH. Repair kit gear set oil pump Moskvich 408/412/2140. Ремкомплект масляного насоса Москвич 408/412/2140. ИЖ.

412-1011045, 412-1011025, 412-1011052

Reparatursatz Zahnradsatz Ölpumpe Moskwitsch 408/412/2140, IZH.

Repair kit gear set oil pump Moskvich 408/412/2140, ISH.   

Ремкомплект масляного насоса Москвич 408/412/2140. ИЖ.

Neu. New. Новый.

Reparatursatz Zahnradsatz Ölpumpe Moskwitsch 408/412/2140, IZH. Repair kit gear set oil pump Moskvich 408/412/2140. Ремкомплект масляного насоса Москвич 408/412/2140. ИЖ.
25,00 €
In den Warenkorb
  • verfügbar
  • 1 - 3 Tage Lieferzeit1

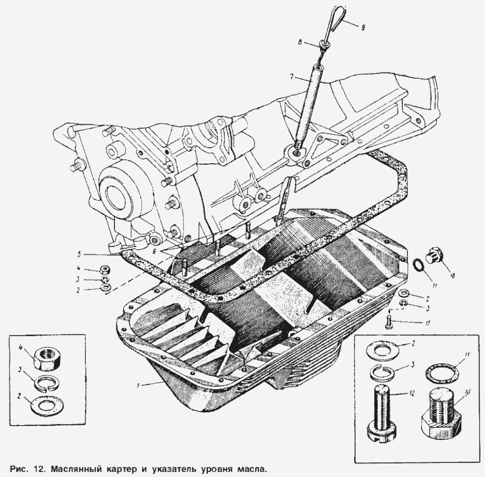
Ölwanne und Ölmessstab Moskwitsch Moskwitch Moskwich Mosi 412 / 2140 / 2137,

ISCH Izh 2715 / 427 / 434.

  Sump gasket and Oil dipstick Moskvich Moskvitch 412 / 2140 / 2137,  Izh 2715 / 427 / 434.

Масляный картер ( поддон) и указатель уровня масла (Щуп) Москвич Двигателя (Мотора) УЗАМ-412 (М-412) Москвич 412 / 2140 / 2137, ИЖ 2715 / 427 / 434. 

Ölwanne und ölmessstab Moskwitsch Moskwitch Moskwich Mosi 412 / 2140 / 2137, ISCH Izh 2715 / 427 / 434. Масляный картер и указатель уровня масла (Щуп) Москвич Двигателя (Мотора) УЗАМ-412 (М-412) Москвич 412 / 2140 / 2137, ИЖ 2715 / 427 / 434.
Ölwanne und ölmessstab Moskwitsch Moskwitch Moskwich Mosi 412 / 2140 / 2137, ISCH Izh 2715 / 427 / 434. Sump gasket and Oil dipstick Moskvich Moskvitch 412 / 2140 / 2137, Izh 2715 / 427 / 434.
412-1009070-Б (412-1009070-11, 412-1009070-12, 412-1009070-Б) Ölwannendichtung Moskwitsch Mosi 412/2140, IZH. Sump gasket Moskvich 412/2140, ISH. Прокладка поддона Москвич 412/2149/ИЖ.

412-1009070-Б (412-1009070-11, 412-1009070-12, 412-1009070-Б) Pos. 5

Ölwannendichtung Moskwitsch Mosi 412/2140, IZH.

Sump gasket Moskvich 412/2140, ISH.

Прокладка картера масляного (поддона) Москвич 412/2149/ИЖ.

Neu. Auch im Motordichtungen Satz erhältlich.

New. Also available in engine gasket kit.

Новый. Так же доступен в наборе прокладок двигателя.

Ölwannendichtung Moskwitsch Mosi 412/2140, IZH. Sump gasket Moskvich 412/2140, ISH. Прокладка картера масляного (поддона) Москвич 412/2149/ИЖ.
6,00 €
In den Warenkorb
  • verfügbar
  • 1 - 3 Tage Lieferzeit1

Ölfilter Motor Moskwitsch Moskwitch Moskwich Mosi 412 / 2140 / 2137, ISCH Izh 2715 / 427 / 434.

Oil filter Engine Moskvich Moskvitch 412 / 2140 / 2137,  Izh 2715 / 427 / 434.

Фильтр масляный полнопоточный Двигателя (Мотора) УЗАМ-412 (М-412) Москвич 412 / 2140 / 2137, ИЖ 2715 / 427 / 434. 

Ölfilter Motor Moskwitsch Moskwitch Moskwich Mosi 412 / 2140 / 2137, ISCH Izh 2715 / 427 / 434. Фильтр масляный полнопоточный Двигателя (Мотора) УЗАМ-412 (М-412) 412 / 2140 / 2137, ИЖ 2715 / 427 / 434.
Ölfilter Motor Moskwitsch Moskwitch Moskwich Mosi 412 / 2140 / 2137, ISCH Izh 2715 / 427 / 434. Oil filter Engine Moskvich Moskvitch 412 / 2140 / 2137, Izh 2715 / 427 / 434.
412-1017140 Ölfilter Motor Moskwitsch Moskwitch Moskwich Mosi 412 / 2140 / 2137, ISCH Izh 2715 / 427 / 434. Масляный фильтр Двигателя (Мотора) УЗАМ-412 (М-412) Москвич 412 / 2140 / 2137, ИЖ 2715 / 427 / 434.
412-1017140 Ölfilter Motor Moskwitsch Moskwitch Moskwich Mosi 412 / 2140 / 2137, ISCH Izh 2715 / 427 / 434. Oil filter Engine Moskvich Moskvitch 412 / 2140 / 2137, Izh 2715 / 427 / 434. Масляный фильтр Двигателя (Мотора) УЗАМ-412 (М-412) Москвич 412.

412-1017140 Ölfilter Motor Moskwitsch Moskwitch Moskwich Mosi 412 / 2140 / 2137, ISCH Izh 2715 / 427 / 434. Oil filter Engine Moskvich Moskvitch 412 / 2140 / 2137,  Izh 2715 / 427 / 434. Масляный фильтр Двигателя (Мотора) УЗАМ-412 (М-412) Москвич 412 / 2140 / 2137, ИЖ 2715 / 427 / 434. 

412-1017145 Dichtungssatz Ölfilter Motor Moskwitsch Moskwitch Moskwich Mosi 412 / 2140, ISCH Izh. Oil Filter Gasket Engine Moskvich 412/2140, ISH. Ремкомплект масляного фильтра Москвич 412/2140, ИЖ.

412-1017145 Pos. 13, 412-1017141 (412-1017141-Б,  412-1017141-6) Pos. 9, 412-1017143 (412-1017143-01) Pos. 7

Dichtungssatz Reparatursatz Ölfilter Motor Moskwitsch Moskwitch Moskwich Mosi 412 / 2140 / 2137, ISCH Izh 2715 / 427 / 434.

Repair Kit For Oil Filter Housing Gasket Engine Moskvich Moskvitch 412 / 2140 / 2137,  Izh 2715 / 427 / 434.

Ремкомплект масляного фильтра двигателя (Мотора) УЗАМ-412 (М-412) Москвич 412 / 2140 / 2137, ИЖ 2715 / 427 / 434. 

Satz. Neu. Beinhaltet: Set. New. Includes: Комплект. Новый. Включает в себя:

 

Pos. 13 412-1017145 Dichtung Ölfiltergehäuse Deckel Ölfilter. Oil filter cover seal Прокладка крышки масляного фильтра тонкой очистки

Pos. 9 412-1017141 (412-1017141-Б,  412-1017141-6) Gummidichtung Filter oben. Oil Filter Element Upper Rubber Seal. Кольцо фильтрующего элемента уплотнительное, верхнее.

412-1017143 (412-1017143-01) Gummidichtung Ölfilter oben. Oil Filter Element Top Rubber Seal. Кольцо фильтрующего элемента уплотнительное, нижнее.

Dichtungssatz Reparatursatz Ölfilter Motor Moskwitsch Moskwitch Moskwich Mosi 412 / 2140, ISCH Izh. Oil Filter Gasket Engine Moskvich 412/2140, ISH. Ремкомплект масляного фильтра Москвич 412/2140, ИЖ.
5,00 €
In den Warenkorb
  • verfügbar
  • 1 - 3 Tage Lieferzeit1

Ölfilter, Ölleitungen (Schläuche), Ölkühler Motor Moskwitsch Moskwitch Moskwich Mosi 408.

Oil filter, oil hoses, oil radiator (cooler) Engine Moskvich Moskvitch 408.

Фильтр масляный, шланги масляного фильтра

 и радиатор охлаждения масла Двигателя (Мотора) Москвич 408.

Ölfilter und Ölschläuche Motor Moskwitsch Moskwitch Moskwich Mosi 408. Oil filter and oil hoses Engine Moskvich Moskvitch 408. Фильтр масляный и шланги масляного фильтра Двигателя (Мотора) Москвич 408.
Ölfilter und Ölschläuche Motor Moskwitsch Moskwitch Moskwich Mosi 408. Oil filter and oil hoses Engine Moskvich Moskvitch 408. Фильтр масляный и шланги масляного фильтра Двигателя (Мотора) Москвич 408.
401-1017035 Ölfilter Filtereinsatz Motor Moskwitsch 408. Oil filter cartridge Engine Moskvich 408. Фильтр масляный Двигателя (Мотора) Москвич 408.

401-1017035 (ЭФА-3, ДАСФО-3) Pos. 14

Ölfilter Filtereinsatz Motor Moskwitsch Moskwitch Moskwich Mosi 408.

Oil filter cartridge Engine Moskvich Moskvitch 408.

Фильтр масляный (Элемент фильтрующий масляного фильтра тонкой очистки) Двигателя (Мотора) Москвич 408.

Original. Neu. New,  Оригинальный новый.

Ölfilter Motor Moskwitsch 408. Oil filter cartridge Engine Moskvich 408. Фильтр масляный Москвич 408.
31,00 €
In den Warenkorb
  • verfügbar
  • 1 - 3 Tage Lieferzeit1
Ölkühler Motor Moskwitsch Moskwitch Moskwich Mosi 408. Oil radiator (cooler) Engine Moskvich Moskvitch 408. Радиатор охлаждения масла Двигателя (Мотора) Москвич 408.
Ölkühler Motor Moskwitsch Moskwitch Moskwich Mosi 408. Oil radiator (cooler) Engine Moskvich Moskvitch 408. Радиатор охлаждения масла Двигателя (Мотора) Москвич 408.
410-1018100  (КР-5А2, KP-5A2) Ventil Absperrhahn Ölkühler Moskwitsch 408. Oil Cooler Shutoff Valve Moskvich 408. Краник запорный масляного радиатора в сборе автомобиля Москвич 408.
410-1018100 (КР-5А2, KP-5A2) Ventil Absperrhahn Ölkühler Moskwitsch 408. Oil Cooler Shutoff Valve Moskvich 408. Краник запорный масляного радиатора в сборе автомобиля Москвич 408.

410-1018100  (КР-5А2, KP-5A2) Ventil Absperrhahn Ölkühler Moskwitsch 408. Oil Cooler Shutoff Valve Moskvich 408. Краник запорный масляного радиатора в сборе автомобиля Москвич 408.

410-1018100  (КР-5А2, KP-5A2)

Ventil Absperrhahn Ölkühler Moskwitsch 408. 

Oil Cooler Shutoff Valve Moskvich 408.

Краник запорный масляного радиатора в сборе автомобиля Москвич 408.

408-1013010 Ölkühler Motor Moskwitsch Moskwitch Moskwich Mosi 408. oil radiator (cooler) Engine Moskvich Moskvitch 408. радиатор охлаждения масла Двигателя (Мотора) Москвич 408.

408-1013010 Pos. 23

Ölkühler Motor Moskwitsch Moskwitch Moskwich Mosi 408.

Oil radiator (cooler) Engine Moskvich Moskvitch 408.

Радиатор охлаждения масла Двигателя (Мотора) Москвич 408.

Neu. New. Новый.

Ölkühler Motor Moskwitsch Moskwitch Moskwich Mosi 408. Oil radiator (cooler) Engine Moskvich Moskvitch 408. Радиатор охлаждения масла Двигателя (Мотора) Москвич 408.
78,00 €
In den Warenkorb
  • verfügbar
  • 1 - 3 Tage Lieferzeit1

Ersatzteile Kraftstoffsystem Motor Moskwitsch Moskwitch Moskwich Mosi 408 / 412 / 2140 / 2137, ISCH Izh 2715 / 427 / 434. Spare parts Fuel system Engine Moskvich Moskvitch 408 / 412 / 2140 / 2137,  Izh 2715 / 427 / 434. Запасные части Системы питания Двигателя (Мотора) УЗАМ-412 (М-412) Москвич 408 / 412 / 2140 / 2137, ИЖ 2715 / 427 / 434.

Kraftstofftank, Einfüllstutzen und Tankdeckel Moskwitsch Moskwitch Moskwich Mosi 408 / 412 / 2140 / 2137, ISCH Izh 2715 / 427 / 434.

Fuel tank, filler neck and fuel cap Moskvich Moskvitch 408 / 412 / 2140 / 2137,  Izh 2715 / 427 / 434.

Бензиновый бак и пробка его наполнительной горловины Москвич 408 / 412 / 2140 / 2137, ИЖ 2715 / 427 / 434. 

Kraftstofftank, Einfüllstutzen und Tankdeckel Moskwitsch Moskwitch Moskwich Mosi 408 / 412 / 2140. Fuel tank, filler neck and fuel cap Moskvich Moskvitch 408 / 412 / 2140. Бензиновый бак и пробка его наполнительной горловины Москвич 408 / 412 / 2140.
Kraftstofftank, Einfüllstutzen und Tankdeckel Moskwitsch Moskwitch Moskwich Mosi 408 / 412 / 2140. Fuel tank, filler neck and fuel cap Moskvich Moskvitch 408 / 412 / 2140. Бензиновый бак и пробка его наполнительной горловины Москвич 408 / 412 / 2140.
402-1103010-А1 (402-1103010-A1) Tankdeckel Moskwitsch 408/412/2140. Fuel filler cap Moskvich Moskvitch 408/412/2140. Пробка в сборе (Крышка бака топливного) Москвич 408 / 412 / 2140.

402-1103010-А1 (402-1103010-A1) Pos. 11

Tankdeckel Moskwitsch Moskwitch Moskwich Mosi 408 / 412 / 2140 / 2137, ISCH Izh 2715 / 427 / 434.

Fuel filler cap Moskvich Moskvitch 408 / 412 / 2140 / 2137,  Izh 2715 / 427 / 434.

Пробка в сборе (Крышка бака топливного) Москвич 408 / 412 / 2140 / 2137, ИЖ 2715 / 427 / 434. 

Neu. New. Новая.

Tankdeckel Moskwitsch Moskwitch Moskwich Mosi 408 / 412 / 2140 / 2137, ISCH Izh 2715 / 427 / 434. Fuel filler cap Moskvich Moskvitch 408 / 412 / 2140 / 2137, Izh 2715 / 427 / 434. Пробка в сборе (Крышка бака топливного) Москвич 408 / 412 / 2140 / 2137, ИЖ 2715 / 427 / 434.
15,00 €
In den Warenkorb
  • verfügbar
  • 1 - 3 Tage Lieferzeit1
БМ134-А Tankgeber Schwimmer Benzintank Moskwitsch 408/412/2140. Fuel sender unit Moskvich 408/412/2140. Датчик (реостат) указателя уровня бензина в топливном баке в сборе Москвич 408 / 412 / 2140.

БМ134-А (6M134-A)

Tankgeber Kraftstoffgeber für Tankanzeige Schwimmer Benzintank Moskwitsch 408/412/2140.

Fuel sender unit  Moskvich Moskvitch 408/412/2140.

Датчик (реостат, поплавок) указателя уровня бензина в топливном баке в сборе  Москвич 408 / 412 / 2140.

Neu. New. Новый.

Tankgeber Kraftstoffgeber für Tankanzeige Schwimmer Benzintank Moskwitsch 408/412/2140. Fuel sender unit Moskvich Moskvitch 408/412/2140. Датчик (реостат, поплавок) указателя уровня бензина в топливном баке в сборе Москвич 408 / 412 / 2140.
15,00 €
In den Warenkorb
  • verfügbar
  • 1 - 3 Tage Lieferzeit1

Benzin Ansaugstutzen  Moskwitsch Moskwitch Moskwich Mosi 408 / 412 / 2140 / 2137, ISCH Izh 2715 / 427 / 434.

 Fuel tank suction feed pipe Moskvich Moskvitch 408 / 412 / 2140 / 2137,  Izh 2715 / 427 / 434.

Приемная трубка топливного бака с фильтром и топливные трубопроводы Москвич 408 / 412 / 2140 / 2137, ИЖ 2715 / 427 / 434. 

408-1104019 Gummidichtung Dichtung Tankgeber Schwimmer Benzintank Moskwitsch 408/412/2140. Rubber seal fuel sender unit Moskvich 408/412/2140. Прокладка  датчика (реостата) указателя уровня бензина в топливном баке Москвич 408 / 412 / 2140.
408-1104019 Gummidichtung Dichtung Tankgeber Schwimmer Benzintank Moskwitsch 408/412/2140. Rubber seal fuel sender unit Moskvich 408/412/2140. Прокладка датчика (реостата) указателя уровня бензина в топливном баке Москвич 408 / 412 / 2140.

408-1104019 Gummidichtung Dichtung Tankgeber Schwimmer Benzintank Moskwitsch 408/412/2140. Rubber seal fuel sender unit Moskvich 408/412/2140. Прокладка (резиновый уплотнитель фланца) датчика (реостата) указателя уровня бензина в топливном баке Москвич 408 / 412 / 2140.

408-1104019 Pos. 1

Gummidichtung Dichtung Tankgeber Schwimmer Benzintank Moskwitsch 408/412/2140.

Rubber sealfFuel sender unit Moskvich 408/412/2140.

Прокладка (резиновый уплотнитель фланца) датчика (реостата) указателя уровня бензина в топливном баке Москвич 408 / 412 / 2140.

367020-П Schlauchschelle Moskwitsch 408/412/2140. Hose clamp Moskvitch 408/412/2140. Хомут 18 в сборе Москвич 408/412/2140.

367020-П Pos. 8

Schlauchschelle Moskwitsch 408/412/2140.

Hose clamp Moskvitch 408/412/2140.

Хомут 18 в сборе Москвич 408/412/2140.
Neu. Nicht original Teil. New. Not an original part. Новая. Не оригинальная деталь.

Schlauchschelle Moskwitsch 408/412/2140. Hose clamp Moskvitch 408/412/2140. Хомут 18 в сборе Москвич 408/412/2140.
2,00 €
In den Warenkorb
  • verfügbar
  • 1 - 3 Tage Lieferzeit1
Kraftstoffschlauch Benzinschlauch 8mm Stahlflex Edelstahl V2A Moskwitsch 408/412/2140. Fuel hose 8mm steel braided stainless steel V2A Moskvitsch 408/412/2140. Топливный шланг 8 мм в стальной оплетке Москвич 408/412/2140.
Kraftstoffschlauch Benzinschlauch 8mm Stahlflex Edelstahl V2A Moskwitsch 408/412/2140. Fuel hose 8mm steel braided stainless steel V2A Moskvitsch 408/412/2140. Топливный шланг 8 мм в стальной оплетке Москвич 408/412/2140.

Kraftstoffschlauch Benzinschlauch 8mm Stahlflex Edelstahl V2A Moskwitsch 408/412/2140. Fuel hose 8mm steel braided stainless steel V2A Moskvitsch 408/412/2140. Топливный шланг 8 мм в стальной оплетке Москвич 408/412/2140.

401-1104022-Б (401-1104022-6) Pos. 9, 408-1104045 Pos. 12

Kraftstoffschlauch Benzinschlauch 8mm Stahlflex Edelstahl V2A Moskwitsch 408/412/2140.

Fuel hose 8mm steel braided stainless steel V2A Moskvitsch 408/412/2140.

Топливный шланг 8 мм в стальной оплетке Москвич 408/412/2140.

Benzin Ansaugstutzen  Moskwitsch Moskwitch Moskwich Mosi 412.  Fuel tank suction feed pipe Moskvich Moskvitch 412. Приемная трубка (топливоприёмник) топливного бака с фильтром и топливные трубопроводы Москвич 412.
Benzin Ansaugstutzen Moskwitsch Moskwitch Moskwich Mosi 412. Fuel tank suction feed pipe Moskvich Moskvitch 412. Приемная трубка (топливоприёмник) топливного бака с фильтром и топливные трубопроводы Москвич 412.
408-1104019 Gummidichtung Dichtung Tankgeber Schwimmer Benzintank Moskwitsch 408/412/2140. Rubber seal fuel sender unit Moskvich 408/412/2140. Прокладка  датчика (реостата) указателя уровня бензина в топливном баке Москвич 408 / 412 / 2140.
408-1104019 Gummidichtung Dichtung Tankgeber Schwimmer Benzintank Moskwitsch 408/412/2140. Rubber seal fuel sender unit Moskvich 408/412/2140. Прокладка датчика (реостата) указателя уровня бензина в топливном баке Москвич 408 / 412 / 2140.

408-1104019 Gummidichtung Dichtung Tankgeber Schwimmer Benzintank Moskwitsch 408/412/2140. Rubber seal fuel sender unit Moskvich 408/412/2140. Прокладка (резиновый уплотнитель фланца) датчика (реостата) указателя уровня бензина в топливном баке Москвич 408 / 412 / 2140.

408-1104019 Pos. 1

Gummidichtung Dichtung Tankgeber Schwimmer Benzintank Moskwitsch 408/412/2140.

Rubber sealfFuel sender unit Moskvich 408/412/2140.

Прокладка (резиновый уплотнитель фланца) датчика (реостата) указателя уровня бензина в топливном баке Москвич 408 / 412 / 2140.

Kraftstoffschlauch Benzinschlauch 8mm Stahlflex Edelstahl V2A Moskwitsch 408/412/2140. Fuel hose 8mm steel braided stainless steel V2A Moskvitsch 408/412/2140. Топливный шланг 8 мм в стальной оплетке Москвич 408/412/2140.
Kraftstoffschlauch Benzinschlauch 8mm Stahlflex Edelstahl V2A Moskwitsch 408/412/2140. Fuel hose 8mm steel braided stainless steel V2A Moskvitsch 408/412/2140. Топливный шланг 8 мм в стальной оплетке Москвич 408/412/2140.

Kraftstoffschlauch Benzinschlauch 8mm Stahlflex Edelstahl V2A Moskwitsch 408/412/2140. Fuel hose 8mm steel braided stainless steel V2A Moskvitsch 408/412/2140. Топливный шланг 8 мм в стальной оплетке Москвич 408/412/2140.

412-1104022-Б (412-1104022-6) Pos. 8, 412-1104045 Pos. 10, 412-1104084-Б (412-1104084-6) Pos. 11

Kraftstoffschlauch Benzinschlauch 8mm Stahlflex Edelstahl V2A Moskwitsch 408/412/2140.

Fuel hose 8mm steel braided stainless steel V2A Moskvitsch 408/412/2140.

Топливный шланг 8 мм в стальной оплетке Москвич 408/412/2140.

367020-П Pos. 6 Schlauchschelle Moskwitsch 408/412/2140. Hose clamp Moskvitch 408/412/2140. Хомут 18 в сборе Москвич 408/412/2140.
367020-П Pos. 6 Schlauchschelle Moskwitsch 408/412/2140. Hose clamp Moskvitch 408/412/2140. Хомут 18 в сборе Москвич 408/412/2140.

367020-П Schlauchschelle Moskwitsch 408/412/2140. Hose clamp Moskvitch 408/412/2140. Хомут 18 в сборе Москвич 408/412/2140.

367020-П Pos. 6 

Schlauchschelle Moskwitsch 408/412/2140. 

Hose clamp Moskvitch 408/412/2140. 

Хомут 18 в сборе Москвич 408/412/2140.

Benzin Ansaugstutzen Moskwitsch Moskwitsch Moskwitch Moskwich Mosi 2140. Fuel tank suction feed pipe Moskvich Moskvich Moskvitch 2140. Приемная трубка топливного бака с фильтром и топливные трубопроводы Москвич 2140.
Benzin Ansaugstutzen Moskwitsch Moskwitsch Moskwitch Moskwich Mosi 2140. Fuel tank suction feed pipe Moskvich Moskvich Moskvitch 2140. Приемная трубка топливного бака с фильтром и топливные трубопроводы Москвич 2140.
408-1104019 Gummidichtung Dichtung Tankgeber Schwimmer Benzintank Moskwitsch 408/412/2140. Rubber seal fuel sender unit Moskvich 408/412/2140. Прокладка  датчика (реостата) указателя уровня бензина в топливном баке Москвич 408 / 412 / 2140.
408-1104019 Gummidichtung Dichtung Tankgeber Schwimmer Benzintank Moskwitsch 408/412/2140. Rubber seal fuel sender unit Moskvich 408/412/2140. Прокладка датчика (реостата) указателя уровня бензина в топливном баке Москвич 408 / 412 / 2140.

408-1104019 Gummidichtung Dichtung Tankgeber Schwimmer Benzintank Moskwitsch 408/412/2140. Rubber seal fuel sender unit Moskvich 408/412/2140. Прокладка (резиновый уплотнитель фланца) датчика (реостата) указателя уровня бензина в топливном баке Москвич 408 / 412 / 2140.

408-1104019 Pos. 1

Gummidichtung Dichtung Tankgeber Schwimmer Benzintank Moskwitsch 408/412/2140.

Rubber sealfFuel sender unit Moskvich 408/412/2140.

Прокладка (резиновый уплотнитель фланца) датчика (реостата) указателя уровня бензина в топливном баке Москвич 408 / 412 / 2140.

412-1104012 Benzin Ansaugstutzen Saugrohr Ansaugrohr Moskwitsch 412/2140. Fuel tank suction feed pipe Moskvich 412/2140. Приемная трубка топливного бака с фильтром (Топливоприемник) Москвич 412/2140.

412-1104012 Pos. 2

Benzin Ansaugstutzen Saugrohr Ansaugrohr Moskwitsch 412/2140.

Fuel tank suction feed pipe Moskvich 412/2140.

Приемная трубка топливного бака с фильтром (Топливоприемник) Москвич 412/2140.

Neu. New. Новая.

Benzin Ansaugstutzen Moskwitsch 412/2140. Fuel tank suction feed pipe Moskvich 412/2140. Топливоприемник Москвич 412/2140.
10,00 €
In den Warenkorb
  • verfügbar
  • 1 - 3 Tage Lieferzeit1
367020-П Pos. 6 Schlauchschelle Moskwitsch 408/412/2140. Hose clamp Moskvitch 408/412/2140. Хомут 18 в сборе Москвич 408/412/2140.
367020-П Pos. 6 Schlauchschelle Moskwitsch 408/412/2140. Hose clamp Moskvitch 408/412/2140. Хомут 18 в сборе Москвич 408/412/2140.

367020-П Schlauchschelle Moskwitsch 408/412/2140. Hose clamp Moskvitch 408/412/2140. Хомут 18 в сборе Москвич 408/412/2140.

367020-П Pos. 5

Schlauchschelle Moskwitsch 408/412/2140. 

Hose clamp Moskvitch 408/412/2140. 

Хомут 18 в сборе Москвич 408/412/2140.

Kraftstoffschlauch Benzinschlauch 8mm Stahlflex Edelstahl V2A Moskwitsch 408/412/2140. Fuel hose 8mm steel braided stainless steel V2A Moskvitsch 408/412/2140. Топливный шланг 8 мм в стальной оплетке Москвич 408/412/2140.
Kraftstoffschlauch Benzinschlauch 8mm Stahlflex Edelstahl V2A Moskwitsch 408/412/2140. Fuel hose 8mm steel braided stainless steel V2A Moskvitsch 408/412/2140. Топливный шланг 8 мм в стальной оплетке Москвич 408/412/2140.

Kraftstoffschlauch Benzinschlauch 8mm Stahlflex Edelstahl V2A Moskwitsch 408/412/2140. Fuel hose 8mm steel braided stainless steel V2A Moskvitsch 408/412/2140. Топливный шланг 8 мм в стальной оплетке Москвич 408/412/2140.

412-1104022-Б (412-1104022-6) Pos. 6, 412-1104084-Б (412-1104084-6) Pos. 8, 412-1104091-Б (412-1104091-6) Pos. 9

Kraftstoffschlauch Benzinschlauch 8mm Stahlflex Edelstahl V2A Moskwitsch 408/412/2140.

Fuel hose 8mm steel braided stainless steel V2A Moskvitsch 408/412/2140.

Топливный шланг 8 мм в стальной оплетке Москвич 408/412/2140.

Kraftstoffpumpe (Kraftstoff-Förderpumpe Benzinpumpe) Motor Moskwitsch Moskwitch Moskwich Mosi 408 / 412 / 2140 / 2137, ISCH Izh 2715 / 427 / 434.

Fuel pump Engine Moskvich Moskvitch 408 / 412 / 2140 / 2137,  Izh 2715 / 427 / 434.

Бензиновый насос (бензонасос)Двигателя (Мотора) УЗАМ-412 (М-412) Москвич 408 / 412 / 2140 / 2137, ИЖ 2715 / 427 / 434. 

Kraftstoffpumpe (Kraftstoff-Förderpumpe Benzinpumpe) Motor Moskwitsch Moskwitch Moskwich Mosi 412 / 2140 / 2137, ISCH Izh 2715 / 427 / 434. Бензиновый насос (бензонасос)Двигателя (Мотора) УЗАМ-412 (М-412) Москвич 412 / 2140 / 2137.
Kraftstoffpumpe (Kraftstoff-Förderpumpe Benzinpumpe) Motor Moskwitsch Moskwitch Moskwich Mosi 412 / 2140 / 2137, ISCH Izh 2715 / 427 / 434. Fuel pump Engine Moskvich Moskvitch 412 / 2140 / 2137, Izh 2715 / 427 / 434.
412-1106010-01 Benzinpumpe Moskwitsch 412 / 2140 / 2137, IZH. Fuel Pump Moskvitch 412 / 2140 / 2137, Izh 2715 / 427 / 434. Бензонасос Москвич 412 / 2140 / 2137, ИЖ 2715 / 427 / 434.

412-1106010-01

Benzinpumpe Kraftstoffpumpe  Moskwitsch Moskwitch Moskwich Mosi 408 / 412 / 2140 / 2137, ISCH Izh 2715 / 427 / 434.

Fuel Pump Moskvich Moskvitch 408 / 412 / 2140 / 2137,  Izh 2715 / 427 / 434.

Бензиновый насос (Бензонасос) Москвич 408 / 412 / 2140 / 2137, ИЖ 2715 / 427 / 434.

Neu. Kolbenpumpe.

New. Piston pump.

Новый. Плунжерного типа.

Benzinpumpe Moskwitsch 412 / 2140 / 2137, ISCH Izh 2715 / 427 / 434. Fuel Pump Moskvitch 412 / 2140 / 2137, Izh 2715 / 427 / 434. Бензонасос Москвич 412 / 2140 / 2137, ИЖ 2715 / 427 / 434.
34,00 €
In den Warenkorb
  • verfügbar
  • 1 - 3 Tage Lieferzeit1
412-1106170 / 412-1106165 Dichtungsatz Benzinpumpe Moskwitsch 412 / 2140 / 2137, IZH. Gasket set fuel pump Moskvitch 412 / 2140, Izh. Комплект прокладок бензонасоса Москвич 412 / 2140 / 2137, ИЖ.

412-1106170 Pos. 40 / 412-1106165 Pos. 41

Dichtungsatz Benzinpumpe Kraftstoffpumpe am Motorblock Moskwitsch Moskwitch Moskwich Mosi 408 / 412 / 2140 / 2137, ISCH Izh 2715 / 427 / 434.

Gasket set Fuel Pump Moskvich Moskvitch 408 / 412 / 2140 / 2137,  Izh 2715 / 427 / 434.

Комплект прокладок бензинового топливного насоса бензонасоса Москвич 408 / 412 / 2140 / 2137, ИЖ 2715 / 427 / 434.

Satz. Neu. Beinhaltet: Set. New. Includes: Комплект. Новый. Включает в себя:

412-1106170 Pos. 40 Dichtung Benzinpumpe am Motorblock. Gasket fuel pump to engine block. Прокладка бензонасоса к блоку цилиндров. 2 Stck./2 Pcs./2 штуки.

412-1106165 Pos. 41 Isolierflansch Benzinpumpe. Thermal insulation gasket fuel pump. Прокладка бензинового насоса теплоизоляционная. 1 Stck./1 Pcs./1 штуки.

Dichtungsatz Benzinpumpe Moskwitsch 412 / 2140 / 2137, IZH. Gasket set fuel pump to engine block Moskvitch 412 / 2140 / 2137, Izh 2715 / 427 / 434. Комплект прокладок бензонасоса Москвич 412 / 2140 / 2137, ИЖ 2715 / 427 / 434.
5,50 €
In den Warenkorb
  • verfügbar
  • 1 - 3 Tage Lieferzeit1
412-1106010-01 Benzinpumpe Kraftstoffpumpe  Moskwitsch Moskwitch Moskwich Mosi 408 / 412 / 2140 / 2137, ISCH Izh 2715 / 427 / 434.
412-1106010-01 Benzinpumpe Kraftstoffpumpe Moskwitsch Moskwitch Moskwich Mosi 408 / 412 / 2140 / 2137, ISCH Izh 2715 / 427 / 434.

412-1106010-01 Benzinpumpe Kraftstoffpumpe  Moskwitsch Moskwitch Moskwich Mosi 408 / 412 / 2140 / 2137, ISCH Izh 2715 / 427 / 434.

Fuel Pump Moskvich Moskvitch 408 / 412 / 2140 / 2137,  Izh 2715 / 427 / 434. Бензиновый насос (Бензонасос) Москвич 408 / 412 / 2140 / 2137, ИЖ 2715 / 427 / 434. 

Vergaser K126H Motor Moskwitsch Moskwitch Moskwich Mosi 408 / 412 / 2140 / 2137, ISCH Izh 2715 / 427 / 434.

Carburettor K126H Engine Moskvich Moskvitch 408 / 412 / 2140 / 2137,  Izh 2715 / 427 / 434.

Карбюратор К126Н советского автомобиля Москвич 408 / 412 / 2140 / 2137, ИЖ 2715 / 427 / 434. 

Vergaser K126H Motor Moskwitsch Moskwitch Moskwich Mosi 408 / 412 / 2140 / 2137, ISCH Izh 2715 / 427 / 434.  Carburettor K126H Engine Moskvich Moskvitch 408 / 412 / 2140 / 2137,  Izh 2715 / 427 / 434. Карбюратор К126Н  Москвич 412 408 2140.
Vergaser K126H Motor Moskwitsch Moskwitch Moskwich Mosi 408 / 412 / 2140 / 2137, ISCH Izh 2715 / 427 / 434. Carburettor K126H Engine Moskvich Moskvitch 408 / 412 / 2140 / 2137, Izh 2715 / 427 / 434. Карбюратор К126Н Москвич 412 408 2140.
К126Н (K126H) Vergaser Motor Moskwitsch 408 / 412 / 2140. Carburettor K-126H Engine Moskvich 408 / 412 / 2140. Карбюратор Москвич 408 / 412 / 2140.

К126Н (K126H)

Vergaser K126H Motor Moskwitsch Moskwitch Moskwich Mosi 408 / 412 / 2140 / 2137, ISCH Izh 2715 / 427 / 434.

Carburettor K126H Engine Moskvich Moskvitch 408 / 412 / 2140 / 2137,  Izh 2715 / 427 / 434.

Карбюратор К126Н советского автомобиля Москвич 408 / 412 / 2140 / 2137, ИЖ 2715 / 427 / 434. 

Neu. New. Новый.

Vergaser Motor Moskwitsch 408 / 412 / 2140. Carburettor K-126H Engine Moskvich 408 / 412 / 2140. Карбюратор Москвич 408 / 412 / 2140.
300,00 €
In den Warenkorb
  • verfügbar
  • 1 - 3 Tage Lieferzeit1
Schauglas Glas Ersatzglas Vergaser K126H Motor Moskwitsch Moskwitch Moskwich Mosi 408 / 412 / 2140 / 2137, ISCH Izh 2715 / 427 / 434. Стекло Стёклышко смотового окна окошка Карбюратора К126Н советского автомобиля Москвич Москвич 408 / 412 / 2140 / 2137.
К126-1107225 (K126-1107225) Schauglas Glas Ersatzglas Vergaser K126H Motor Moskwitsch Moskwitch Moskwich Mosi 408 / 412 / 2140 / 2137, ISCH Izh 2715 / 427 / 434. Carburetor Fuel Bowl Sight Glass K126H Engine Moskvich Moskvitch 408 / 412 / 2140 / 2137.

К126-1107225 (K126-1107225) Schauglas Glas Ersatzglas Vergaser K126H Motor Moskwitsch Moskwitch Moskwich Mosi 408 / 412 / 2140 / 2137, ISCH Izh 2715 / 427 / 434. Carburetor Fuel Bowl Sight Glass  K126H Engine Moskvich Moskvitch 408 / 412 / 2140 / 2137,  Izh 2715 / 427 / 434. Стекло Стёклышко смотового окна окошка Карбюратора К126Н советского автомобиля Москвич Москвич 408 / 412 / 2140 / 2137, ИЖ 2715 / 427 / 434. 

К126-1107227 Dichtung Schauglas Vergaser K126H Motor Moskwitsch Moskwitch Moskwich Mosi 408 / 412 / 2140 / 2137, ISCH Izh 2715 / 427 / 434. Прокладка стекла смотового окна Карбюратора К126Н советского автомобиля Москвич Москвич 408 / 412 / 2140 / 2137, ИЖ
К126-1107227 Dichtung Schauglas Vergaser K126H Motor Moskwitsch Moskwitch Moskwich Mosi 408 / 412 / 2140 / 2137, ISCH Izh 2715 / 427 / 434. Seal Carburetor Fuel Bowl Sight Glass GAS M21 Volga. Прокладка стекла смотового окна карбюратора Карбюратора К126Н

К126-1107227 (K126-1107227) Dichtung Schauglas Vergaser K126H Motor Moskwitsch Moskwitch Moskwich Mosi 408 / 412 / 2140 / 2137, ISCH Izh 2715 / 427 / 434. Seal Carburetor Fuel Bowl Sight Glass GAS M21 Volga. Прокладка стекла смотового окна карбюратора Карбюратора К126Н советского автомобиля Москвич Москвич 408 / 412 / 2140 / 2137, ИЖ 2715 / 427 / 434.

Vergaser 412-1107010-10 Motor Moskwitsch Moskwitch Moskwich Mosi 412 / 2140 / 2137, ISCH Izh 2715 / 427 / 434.

Carburettor 412-1107010-10 Engine Moskvich Moskvitch 412 / 2140 / 2137,  Izh 2715 / 427 / 434.

Карбюратор 412-1107010-10 советского автомобиля Москвич 412 / 2140 / 2137, ИЖ 2715 / 427 / 434. 

Vergaser 412-1107010-10 Motor Moskwitsch Moskwitch Moskwich Mosi 412 / 2140 / 2137, ISCH Izh 2715 / 427 / 434. Карбюратор 412-1107010-10 советского автомобиля Москвич 412 / 2140 / 2137, ИЖ 2715 / 427 / 434.
Vergaser 412-1107010-10 Motor Moskwitsch Moskwitch Moskwich Mosi 412 / 2140 / 2137, ISCH Izh 2715 / 427 / 434. Carburettor 412-1107010-10 Engine Moskvich Moskvitch 412 / 2140 / 2137, Izh 2715 / 427 / 434.
2107-1107010-20 Vergaser Moskwitsch Moskwitch Moskwich Mosi 412 / 2140. Carburettor Moskvich Moskvitch 412 / 2140. Карбюратор Москвич 412 / 2140.

2107-1107010-20

Vergaser  Moskwitsch Moskwitch Moskwich Mosi 412 / 2140.

Carburettor Moskvich Moskvitch 412 / 2140.

Карбюратор Москвич 412 / 2140.

UdSSR. New. USSR. Новый. СССР.

Vergaser Moskwitsch 412 / 2140. Carburettor Moskvich 412 / 2140. Карбюратор Москвич 412 / 2140.
200,00 €
In den Warenkorb
  • verfügbar
  • 1 - 3 Tage Lieferzeit1

 Luftfilter Moskwitsch Moskwitch Moskwich Mosi 412 / 2140 / 2137, ISCH Izh 2715 / 427 / 434.

Air filter Moskvich Moskvitch 412 / 2140 / 2137,  Izh 2715 / 427 / 434.

Воздушный фильтр советского автомобиля АЗЛК Москвич 412 / 2140 / 2137, ИЖ 2715 / 427 / 434. 

Luftfilter Moskwitsch Moskwitch Moskwich Mosi 412 / 2140 / 2137, ISCH Izh 2715 / 427 / 434. Воздушный фильтр советского автомобиля Москвич 412 / 2140 / 2137, ИЖ 2715 / 427 / 434.
Luftfilter Moskwitsch Moskwitch Moskwich Mosi 412 / 2140 / 2137, ISCH Izh 2715 / 427 / 434. Air filter Moskvich Moskvitch 412 / 2140 / 2137, Izh 2715 / 427 / 434.
412-1109035-20 Luftfiltergehäuse Luftfilterkasten Moskwitsch AZLK IZH 412/2140. Air filter housing Moskvich 412 / 2140. Корпус воздушного фильтра Москвич ИЖ АЗЛК 412 / 2140.

412-1109035-20 Pos. 15

Luftfiltergehäuse Luftfilterkasten Moskwitsch AZLK IZH 412/2140 mit Deckel.

Air filter housing Moskvich 412/2140 with Cover Lid.

Корпус воздушного фильтра Москвич ИЖ АЗЛК 412 2140.

Regeneriert. Refurbished. Реставрация.

Luftfiltergehäuse Luftfilterkasten Moskwitsch AZLK 412/2140 mit Deckel. Air filter housing Moskvich 412/2140 with Cover Lid. Корпус воздушного фильтра Москвич ИЖ АЗЛК 412 2140.
50,00 €
In den Warenkorb
  • leider ausverkauft
412-1109080-20 Luftfilter Moskwitsch AZLK IZH 412/2140. Air filter Moskvich 412 / 2140. Элемент фильтрующий в сборе Москвич ИЖ АЗЛК 412 / 2140..

412-1109080-20 Pos. 16

Luftfilter Moskwitsch AZLK IZH 412/2140.

Air filter Moskvich 412 / 2140.

Элемент фильтрующий в сборе Москвич ИЖ АЗЛК 412 / 2140.

Neu. New.  Новый.

Luftfilter Moskwitsch AZLK IZH 412/2140. Air filter Moskvich 412 / 2140. Элемент фильтрующий в сборе Москвич ИЖ АЗЛК 412 / 2140
8,00 €
In den Warenkorb
  • verfügbar
  • 1 - 3 Tage Lieferzeit1
412-1109138-20 Halter Luftfiltergehäuse Moskwitsch AZLK IZH 412 / 2140. Air filter housing brackett Moskvich 412 / 2140. Кронштейн опорный корпуса воздушного фильтра Москвич ИЖ АЗЛК 412 2140.

412-1109138-20 Pos. 20-26.

Halter Luftfilterkasten Luftfiltergehäuse Moskwitsch AZLK IZH 412 / 2140. 

Air filter housing brackett Moskvich 412 / 2140.

Кронштейн опорный корпуса воздушного фильтра Москвич ИЖ АЗЛК 412 2140.

Neu. New. Новый.

Halter Luftfilterkasten Luftfiltergehäuse Moskwitsch AZLK IZH 412 / 2140. Air filter housing brackett Moskvich 412 / 2140. Кронштейн опорный корпуса воздушного фильтра Москвич ИЖ АЗЛК 412 2140.
15,00 €
In den Warenkorb
  • verfügbar
  • 1 - 3 Tage Lieferzeit1

Ersatzteile Kühlsystem (Kühlung Motor, Motorkühlung, Wasserkühlung) Motor Moskwitsch Moskwitch Moskwich Mosi 408 / 412 / 2140 / 2137, ISCH Izh 2715 / 427 / 434. Spare parts Engine Cooling system Moskvich Moskvitch 408 / 412 / 2140 / 2137,  Izh 2715 / 427 / 434. Запасные части Система охлаждения двигателя (мотора)  УЗАМ-412 (М-412) автомобиля Москвич 408 / 412 / 2140 / 2137, ИЖ 2715 / 427 / 434.

Kühlwasserschläuche Kühlerschläuche und Thermostat Kühlsystem Motor Moskwitsch Moskwitch Moskwich Mosi 412 / 2140 / 2137, ISCH Izh 2715 / 427 / 434.

Cooling water hoses radiator hose thermostat Engine Cooling system Moskvich Moskvitch 412 / 2140 / 2137, Izh 2715 / 427 / 434. 

Трубопроводы и шланги системы охлаждения двигателя с термостатом ТБ-1 412 / 2140 / 2137, ИЖ 2715 / 427 / 434.  

Kühlwasserschläuche Kühlerschläuche und Thermostat Kühlsystem Motor Moskwitsch Moskwitch Moskwich Mosi 412 / 2140 / 2137, ISCH Izh 2715 / 427 / 434.  Cooling water hoses radiator hose thermostat Engine Cooling system Moskvich Moskvitch 412 / 2140 / 2137,
Kühlwasserschläuche Kühlerschläuche und Thermostat Kühlsystem Motor Moskwitsch Moskwitch Moskwich Mosi 412 / 2140 / 2137, ISCH Izh 2715 / 427 / 434. Cooling water hoses radiator hose thermostat Engine Cooling system Moskvich Moskvitch 412 / 2140 / 2137,
412-1303010/25/30 Satz Kühlerschläuche Moskwitsch M412 / M2140. Radiator hose kit Moskvich M-412 / M-2140. Комплект шлангов системы охлаждения двигателя Москвич М412, М2140.

412-1303010 Pos. 19, 412-1303025 Pos. 36, 412-1303030 Pos. 26

Satz Kühlwasserschläuche Kühlerschläuche Moskwitsch M412 / M2140.

Radiator hose kit Cooling system Enhine Moskvich M-412 / M-2140.

Комплект шлангов системы охлаждения двигателя с термостатом ТБ-1 ретро автомобиля Москвич М412, М2140.

Neu. Beinhaltet: New. Includes: Новый. Включает в себя:

 

412-1303010 Pos. 19  Kühlerschlauch (Auslassschlauch). Radiator hose (Outlet). Шланг отводящего патрубка радиатора,

412-1303030 Pos. 26 Kühlerschlauch Schlauch (Einlassschlauch) Wasserpumpe. Radiator hose (Inlet hose) Waterpump. Шланг подводящий водяного насоса.

412-1303025 Pos. 36 Kühlerschlauch (Einlassschlauch). Radiator hose (Inlet). Шланг подводящего патрубка.

Satz Kühlerschläuche Moskwitsch M412 / M2140. Radiator hose kit Moskvich M-412 / M-2140. Комплект шлангов системы охлаждения двигателя Москвич М412, М2140.
25,00 €
In den Warenkorb
  • verfügbar
  • 1 - 3 Tage Lieferzeit1

Wasserpumpe und Lüfterflügel Kühlsystem Motor Moskwitsch Moskwitch Moskwich Mosi 408 / 412 / 2140 / 2137, ISCH Izh 2715 / 427 / 434.

Water pump and fan Engine Cooling system Moskvich Moskvitch 408 / 412 / 2140 / 2137,  Izh 2715 / 427 / 434. 

Центробежный насос с автоматической муфтой вентилятора и приводной ремень системы охлаждения  двигателя Москвич 408 / 412 / 2140 / 2137, ИЖ 2715 / 427 / 434.

 

Wasserpumpe und Lüfterflügel Kühlsystem Motor Moskwitsch Moskwitch Moskwich Mosi 408 / 412 / 2140 / 2137, ISCH Izh 2715 / 427 / 434. Центробежный насос с автоматической муфтой вентилятора и приводной ремень системы охлаждения Москвич 408 / 412 / 2140.
Wasserpumpe und Lüfterflügel Kühlsystem Motor Moskwitsch Moskwitch Moskwich Mosi 408 / 412 / 2140 / 2137, ISCH Izh 2715 / 427 / 434. Water pump and fan Engine Cooling system Moskvich Moskvitch 408 / 412 / 2140 / 2137, Izh 2715 / 427 / 434.
412-1308010-Б Lüfterflügel Kühlsystem Motor Moskwitsch 408 / 412 / 2140. Fan Engine Cooling system Moskvich 408 / 412 / 2140. Вентилятор системы охлаждения двигателя Москвич 408 / 412 / 2140.

412-1308010-Б (412-1308010-B, 412-1308010-6) Pos. 4

Lüfterflügel Kühlsystem Motor Moskwitsch Moskwitch Moskwich Mosi 408 / 412 / 2140 / 2137, ISCH Izh 2715 / 427 / 434. 

Fan Engine Cooling system Moskvich Moskvitch 408 / 412 / 2140 / 2137,  Izh 2715 / 427 / 434.

Вентилятор системы охлаждения  двигателя Москвич 408 / 412 / 2140 / 2137, ИЖ 2715 / 427 / 434.

Neu. New. Новый.

Lüfterflügel Kühlsystem Motor Moskwitsch 408 / 412 / 2140. Fan Engine Cooling system Moskvich 408 / 412 / 2140. Вентилятор системы охлаждения двигателя Москвич 408 / 412 / 2140.
20,00 €
In den Warenkorb
  • verfügbar
  • 1 - 3 Tage Lieferzeit1

Wenn Sie das gesuchte Ersatzteil (Teil) für Russische (UdSSR CCCP NVA DDR Ostblock) Fahrzeuge (Autos) PKW: GAZ Wolga VAZ WAZ LADA Zhiguli Niva, Moskwitsch AZLK UAZ LUAZ ZAZ Zaporozh RAF; LKW:  GAZ KRAZ MAZ URAL ZIL KAMAZ; Traktoren: PTZ Kirowetz MTZ Belarus XTZ  TschTS; Motorräder (Krafträder, Zweiräder): IZH (ISH), Minsk.Motoren, Getriebe, Einspritzpumpen und Motoren JaMZ JaMS  YaMS nicht gefunden haben, senden Sie bitte eine Anfrage an uns! Wir werden Ihnen gerne helfen.

Weiter zur Anfrageformular

 

If you did not find the spare part (part) you were looking for, please send us an inquiry! We will be happy to help you. We'll help you find it for Russian (soviet USSR) vehicles (carsMotorcycle (motorbike), trucks and Tractors).

Continue to the inquiry form

 

Если Вы не нашли запчасть (деталь), которую искали, отправьте нам запрос! Мы будем рады Вам помочь в поиске запчастей к советским (русским СССР) автомобилям (авто), мотоциклам, грузовикам, тракторам и спецтехнинике всех марок и классов: ГАЗ Волга ВАЗ ЗАЗ Запорожец ЛАДА Москвич АЗЛК УАЗ ЛУАЗ  РАФ ГАЗ КРАЗ МАЗ УРАЛ ЗИЛ КАМАЗ ПТЗ Кировец МТЗ Беларус ХТЗ  Минск ИЖ Онежец ЧТЗ ЯМЗ

Перейти к форме запроса