Ersatzteile Vorderachse, Reifen, Räder, Radkappen und Radnabe Moskwitsch Moskvich Mosi M400-420, M401-420, Opel Kadett K38 (11234). Spare parts Front suspension, Tires, Road wheels, hubcaps und Wheel hubs Moskvich M400-420, M401-420, Opel Kadett K38 (11234). Запасные частиПередняя подвеска, Колеса (Шины, покрышки, резина), колесные диски, колпаки и ступицы, амортизаторы Москвич М400-420, М401-420, Опель Кадет К38 (11234).

Vorderachse Moskwitsch M400, M401, Opel Kadett K38.

Front suspension Moskvich M400, M401, Opel Kadett K38.

Подвеска передняя Москвич М400, М401,

Опель Кадет К38.

Vorderachse Moskwitsch M400, M401, Opel Kadett K38. Front suspension Moskvich M400, M401, Opel Kadett K38. Подвеска передняя Москвич М400, М401, Опель Кадет К38.
Vorderachse Moskwitsch M400, M401, Opel Kadett K38. Front suspension Moskvich M400, M401, Opel Kadett K38. Подвеска передняя Москвич М400, М401, Опель Кадет К38.
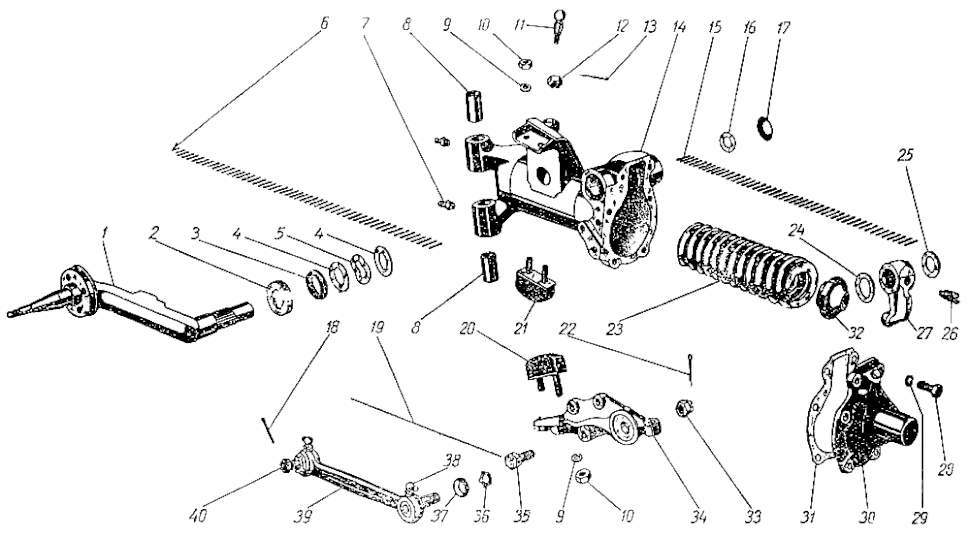
400-2902110 / 400-2902115 Achsschenkel Anschlagpuffer Moskwitsch M400, M401. Steering knuckle buffer buffers Moskvich M400, M401. Буфер кривошипа Москвич М400, М401.

400-2902110 Pos. 20 / 400-2902115 Pos. 21

Achsschenkel Anschlagpuffer Puffer oben/unten Moskwitsch M400, M401, Opel Kadett K38.

Steering knuckle buffer buffer top/bottom Moskvich M400, M401, Opel Kadett K38.

Буфер кривошипа верхний /нижний Москвич М400, М401,  Опель Кадет К38.

Neu. Satz 2 Stück. (eine Seite).

New. Set 2 Pcs. (for one Side).

Новые. Цена за 2 штуки. (Комплект на одну сторону).

Achsschenkel Anschlagpuffer Puffer oben/unten Moskwitsch M400, M401, Opel Kadett K38. Steering knuckle buffer buffer top/bottom Moskvich M400, M401, Opel Kadett K38. Буфер кривошипа верхний /нижний Москвич М400, М401, Опель Кадет К38.
41,00 €
In den Warenkorb
  • verfügbar
  • 1 - 3 Tage Lieferzeit1

Wenn Sie das gesuchte Ersatzteil (Teil) für Russische (UdSSR CCCP NVA DDR Ostblock) Fahrzeuge (Autos) PKW: GAZ Wolga VAZ WAZ LADA Zhiguli Niva, Moskwitsch AZLK UAZ LUAZ ZAZ Zaporozh RAF; LKW:  GAZ KRAZ MAZ URAL ZIL KAMAZ; Traktoren: PTZ Kirowetz MTZ Belarus XTZ  TschTS; Motorräder (Krafträder, Zweiräder): IZH (ISH), Minsk.Motoren, Getriebe, Einspritzpumpen und Motoren JaMZ JaMS  YaMS nicht gefunden haben, senden Sie bitte eine Anfrage an uns! Wir werden Ihnen gerne helfen.

Weiter zur Anfrageformular

 

If you did not find the spare part (part) you were looking for, please send us an inquiry! We will be happy to help you. We'll help you find it for Russian (soviet USSR) vehicles (carsMotorcycle (motorbike), trucks and Tractors).

Continue to the inquiry form

 

Если Вы не нашли запчасть (деталь), которую искали, отправьте нам запрос! Мы будем рады Вам помочь в поиске запчастей к советским (русским СССР) автомобилям (авто), мотоциклам, грузовикам, тракторам и спецтехнинике всех марок и классов: ГАЗ Волга ВАЗ ЗАЗ Запорожец ЛАДА Москвич АЗЛК УАЗ ЛУАЗ  РАФ ГАЗ КРАЗ МАЗ УРАЛ ЗИЛ КАМАЗ ПТЗ Кировец МТЗ Беларус ХТЗ  Минск ИЖ Онежец ЧТЗ ЯМЗ

Перейти к форме запроса