sowjetautos.de -Ihr Spezialist für UdSSR-Nutzfahrzeuge und Militär-Lkw. Ersatzteile für KRAZ Lkw in Deutschland.
Online-Shop für KRAZ-Ersatzteile – KRAZ-250, KRAZ-255, KRAZ-256, KRAZ-260 und KRAZ-266.
Originalteile und Nachfertigungen für sowjetische und russische Lastwagen.
Schnelle Lieferung in ganz Deutschland und Europa.
Die robusten KRAZ-255 und KRAZ-256 wurden in der Sowjetunion als schwere Militär- und Baustellenfahrzeuge entwickelt.
Der KRAZ-255B ist ein 6×6-Geländelastwagen mit hoher Zugkraft, bekannt für seine Zuverlässigkeit im harten Gelände.
Der KRAZ-256 ist die Kippwagen-Version (Muldenkipper) für Bau- und Transportarbeiten.
Beide Modelle teilen viele Ersatzteile und Komponenten.
Motoraufhängung Motorlagerung KRAZ 250, KRAZ 260, KRAZ 255.
Engine mounting KRAS 250, KRAS 260, KRAS 255.
Подвеска двигателя (Крепление силового агрегата) КРАЗ-250, КРАЗ-255, КРАЗ-260.
256-1001005-А1, 256Б-1001008 (256-1001005-A1, 2566-1001008,256Б-1001052, 2566-1001052, 500-1001028, 500-1001020, 150.00.073)
Motorlager Gummilager Motorträger Halter Motoraufhängung Motorhalter Lagerung Motor KRAZ 250/255/256/260.
Engine mount rubber KRAS 250/255/256/260.
Скоба + подушка опоры двигателя КРАЗ 250/255/256/260.
Neu. Preis pro Paar. Ist auch bei LKW MAZ und Traktor T-150 verwendet.
New. Price per Pair. Also used on Tracks MAS and tractors T150.
Новые. Цена за Пару. Используется так же на грузовиках МАЗ и тракторах Т-150.
inkl. MwSt, zzgl. Versandkosten
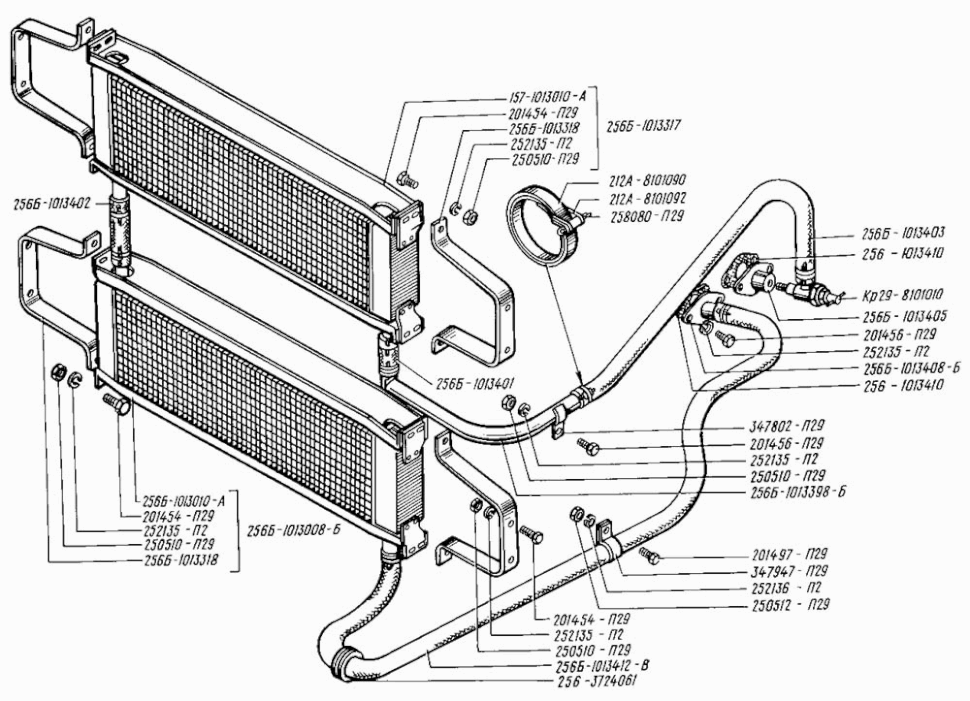
Ölkühler Motor KRAZ 250, KRAZ 255.
Engine oil cooler KRAS 250, KRAS 255.
Радиатор масляный двигателя (мотора) КРАЗ-250, КРАЗ-255.

КР-29-8101010 (KP-29-8101010) Absperrhahn (Heizungsventil, Heizungshahn, Hahn) Heizung KRAZ 250, KRAZ 255. Stopcock (Heater valve) KRAS 250, KRAS 255. Краник запорный отопителя КР-29 КРАЗ-250, КРАЗ-255.
КР-29-8101010 (KP-29-8101010)
Absperrhahn (Heizungsventil, Heizungshahn, Hahn) HeizungKRAZ 250, KRAZ 255.
|
Original Teilenummer:238-1003210-В6,238-1003270, 238-1009040, 236-1005034, 236-1005034-Б3...
Dichtungssatz Motor JAMZ 238 (8 Zylinder)
LKW KRAZ 250, KRAZ 255, KRAZ 256.
Engine gasket set JAMS 238 (8 cylinders) KRAS 250,
KRAS 255, KRAS 256.
Набор прокладок двигателя ЯМЗ 238 полный
(8 цилиндров) грузовик КРАЗ 250, КРАЗ 255,
КРАЗ 256.
Neu. New. Новый. |
inkl. MwSt, zzgl. Versandkosten
Original Teilenummer: 256Б-3405010-14 256Б-3405026
Lenkungszylinder KRAZ 255, KRAZ 256, KRAZ 250.
Steering cylinder KRAZ 255, KRAS 256, KRAS 250.
Гидроусилитель руля КРАЗ 250, КРАЗ 255,
КРАЗ 256.
Original. Generalüberholt. Überprüft.
Originel. Rebuilt. Checked.
Оригинальный. Реставрированный. Проверенный на стенде.
inkl. MwSt, versandkostenfrei in bestimmte Länder
Versandkostenfrei in folgende Länder: Deutschland
Hauptbremszylinder ( Brake Master Cylinder ) HBZ
KRAZ 260 neu.
inkl. MwSt, zzgl. Versandkosten
Kolben für Hauptbremszylinder HBZ KRAZ 260, neu.
Piston for brake master cylinder KRAS 260, new.
Поршень главного цилиндра тормоза в сборе КРАЗ 260, новый.
inkl. MwSt, zzgl. Versandkosten
Kolbendichtung Hauptbremszylinder HBZ KRAZ 260, neu.
Piston seal brake master cylinder KRAS 260, new.
Манжета уплотнительная главного тормозного цилиндра ГТЦ КРАЗ 260, новая.
inkl. MwSt, zzgl. Versandkosten
|
inkl. MwSt, zzgl. Versandkosten
Original Teilenummer: 256Б-1602035
Staubschutz Bremspedal, Kupplungspedal
KRAZ 255, 256.
Brake pedal, clutch pedal Dust Boot
KRAS 255, 256.
Пыльник педали тормоза. Манжета педали
сцепления КРАЗ 255, 256.
Preis für 1 Stck. Neu.
Price for 1 piece. New.
Цена за 1 шт. Новые.
inkl. MwSt, zzgl. Versandkosten

130-3509509 Überholsatz Reparatursatz Kompressor KRAZ 250, KRAZ 255, KRAZ 260. Overhaul Rebuild Kit r KRAS 250, KRAS 255, KRAS 260. Ремкомплект компрессора КРАЗ 250, Краз 255, КрАЗ-260.
130-3509509
Überholsatz Reparatursatz Kompressor KRAZ 250, KRAZ 255, KRAZ 260.
Overhaul Rebuild Kit r KRAS 250, KRAS 255, KRAS 260.
Ремкомплект компрессора КРАЗ 250, Краз 255, КрАЗ-260.

Dichtungssatz Kompressor KRAZ 250, KRAZ 255., KRAZ 260. Seal kit compressor KRAS 250, KRAS 255, KRAS 260. Ремкомплект прокладок компрессора КРАЗ 250, Краз 255, КрАЗ-260.
Dichtungssatz Kompressor KRAZ 250, KRAZ 255., KRAZ 260.
Seal kit compressor KRAS 250, KRAS 255, KRAS 260.
Ремкомплект прокладок компрессора КРАЗ 250, Краз 255, КрАЗ-260.
Original
Teilenimmer: 13-5208104-Б1.
Waschbehälter Wischwasserbehälter KRAZ 255, KRAZ 256.
Windshield washer bottle KRAZ 255, KRAZ 256.
Бачок опрыскивателя ветрового стекла КРАЗ 260, КРАЗ 255, КРАЗ 266.
Originell UdSSR. Neu. Top Qualität.
Original USSR. New. Top quality.
inkl. MwSt, zzgl. Versandkosten
Original Teilenimmer: 214-8402680.
Motorhauben Haken Verschluss Motorhaube KRAZ 255, KRAZ 255B, KRAZ 255B1.
Hood Catch KRAS 255, KRAS 255B, KRAS 255B1.
Застёжка защёлка крюк Крючок капота КРАЗ-255, КРАЗ-255Б, КРАЗ-255Б1.
Originell UdSSR. Neu.
Original USSR. New.
Оригинальный, СССР, новый.
inkl. MwSt, zzgl. Versandkosten
Original Teilenummer: 255В-1201010-Б 256-1201010
Auspufftopf, Schalldämpfer, KRAZ 255, KRAZ 256, KRAZ 250, neu.
Muffler, silencer KRAS 255, KRAS 256, KRAZ 250, new.
Глушитель КРАЗ 255, КРАЗ 256, КРАЗ 250 новый.
inkl. MwSt, zzgl. Versandkosten
|
inkl. MwSt, zzgl. Versandkosten
Unser Geschäft Onlineshop sowjetautos.de in Deutschland bietet eine breite Auswahl an hochwertigen Ersatzteilen für Fahrzeuge, die mit JaMZ-Motoren ausgestattet sind. Wir führen Ersatzteile für beliebte Modelle wie JaMS JaMZ-236, JaMZ-238, JaMZ-240 und JaMZ-530, die in Lastwagen, Traktoren, Bussen und Spezialfahrzeugen verwendet werden. Unser Sortiment umfasst Originalteile sowie hochwertige Ersatzprodukte, die für ihre Langlebigkeit und Zuverlässigkeit bekannt sind.
Unser Shop zeichnet sich durch schnellen Versand, kompetente Beratung und einen erstklassigen Kundenservice aus. Egal, ob Sie Ersatzteile für Wartung oder Reparaturen benötigen, wir bieten Ihnen die passenden Komponenten für Ihre Fahrzeuge mit JaMZ-Motoren. Entdecken Sie unser Angebot online oder besuchen Sie unser Geschäft vor Ort in Deutschland. Wir sind Ihr zuverlässiger Partner für JaMZ-Ersatzteile.
Our store sowjetautos.de in Germany offers a wide selection of high-quality spare parts for vehicles equipped with YaMZ engines. We stock parts for popular models such as YaMZ-236, YaMZ-238, YaMZ-240, and YaMZ-530, which are used in trucks, buses, and specialized vehicles. Our range includes original parts as well as high-quality aftermarket products known for their durability and reliability.
Our shop is known for fast shipping, expert advice, and excellent customer service. Whether you need parts for maintenance or repairs, we provide the right components for your vehicles with YaMZ engines. Explore our offerings online or visit our store in Germany. We are your reliable partner for YaMZ spare parts.
Other Spare parts Engine JAMS YAMS 238, 240 soviet Track KRAS 250, KRAS 260, KRAS 255, KRAS 266.
Наш магазин sowjetautos.de в Германии предлагает широкий ассортимент высококачественных запчастей для автомобилей, тракторов, спецтехники, оснащенных двигателями ЯМЗ. У нас есть запчасти для популярных моделей, таких как ЯМЗ-236, ЯМЗ-238, ЯМЗ-240 и ЯМЗ-530, которые используются в грузовиках, автобусах и специализированной технике. В нашем ассортименте представлены как оригинальные запчасти, так и высококачественные аналоги, известные своей долговечностью и надежностью.
Наш магазин отличается быстрой доставкой, профессиональными консультациями и отличным обслуживанием клиентов. Независимо от того, нужны ли вам запчасти для обслуживания или ремонта, мы предоставляем необходимые компоненты для вашего автомобиля, втомобиля, трактора, спецтехники с двигателем ЯМЗ. Ознакомьтесь с нашим ассортиментом онлайн или посетите наш магазин в Германии. Мы – ваш надежный партнер по запчастям для ЯМЗ Европе и в целом Мире.